
0916 804 808 - 0916 604 609
Email: sale.dienthaiduong@gmail.com
Thời gian: 8h00 - 17h00 từ thứ 2 đến thứ bảy
DANH MỤC SẢN PHẨM
Thiết Bị Đóng Cắt
Bộ Chuyển Đổi Nguồn ATS và Cầu Dao
Tụ Bù Công Suất Phản Kháng
Cuộn Kháng Lọc Sóng Hài
Bộ Điều Khiển Tụ Bù
Relay Điều Khiển - Bảo Vệ
Phụ Kiện Lắp Tủ Bảng Điện
Dây - Cáp Điện
YÊU CẦU BÁO GIÁ
Mã sản phẩm:
HDY3N405Giá:
( giá trên đã bao gồm 8% VAT )
Vui lòng liên hệ P. Kinh Doanh để được hỗ trợ tốt nhất.
Lượt xem:
101Đã bán:
Xuất xứ:
HIMEL electric ( sx tại Trung Quốc )Bảo hành:
12 Tháng ( theo quy định của nhà SX )Chống sét lan truyền ( SPD ) HIMEL HDY3N405 1P+N 385V 40kA
- Số cực : 2 cực ( 1P+N )
- Điện áp hoạt động liên tục tối đa Uc : 385VAC
- Điện áp dư cao nhất Up : 1.8kV
- Dòng điện xả định mức In : 20kA
- Dòng điện xả chịu đựng tối đa Imax : 40kA
Hiển thị trạng thái hoạt động : Đèn xanh - bình thường ; Đèn đỏ - lỗi
Hàng đảm bảo chính hãng mới 100%
Bảo hành tin cậy 12 tháng theo quy định nhà sx
Tư vấn, hỗ trợ kỹ thuật sản phẩm nhiệt tình
Giao hàng linh hoạt trên toàn quốc
Chống sét lan truyền HIMEL 1P+N 385V 40kA ( HDY3N405 ) - Surge Protective Device
Nhà sản xuất: HIMEL / CHINA
Mã hàng: HDY3N405
Bảo hành: 12 tháng
Liên hệ P. Kinh Doanh : 0916 604 609 - 0916 804 808, Email: sale.dienthaiduong@gmail.com
Thiết bị chống sét lan truyền (SPD - Surge Protective Device) của hãng HIMEL Electric là dòng sản phẩm kinh tế được sản xuất bởi liên doanh Delixi Electric và Schneider Electric . Các thiết bị này được thiết kế để bảo vệ hệ thống điện và thiết bị điện tử nhạy cảm khỏi xung điện áp đột ngột do sét đánh hoặc các sự cố đóng cắt trên lưới điện
Đặc điểm kỹ thuật nổi bật :
Dựa trên thông tin từ catalogue của Himel được thể hiện
Các dòng sản phẩm phổ biến :
Himel cung cấp đa dạng các dòng SPD thuộc dòng HDY3 và HDY3N, đáp ứng các tiêu chuẩn quốc tế như IEC 61643-1.
Lựa chọn thiết bị phù hợp :
Việc chọn SPD Himel cần dựa trên các yếu tố sau:
CHỐNG SÉT LAN TRUYỀN ( SPD ) HIMEL HDY3N405 1P+N 385V 40kA
Thông số kỹ thuật Chống sét lan truyền của HIMEL :

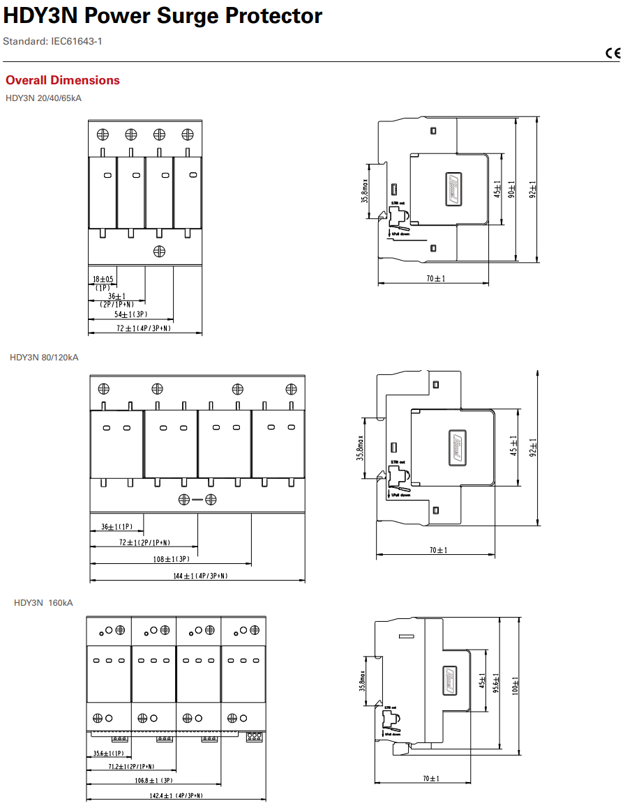
Kích thước Chống sét lan truyền của HIMEL :

Sơ đồ đấu dây Chống sét lan truyền của HIMEL :
