
0916 604 609 - 0916 804 808
Email: sale.dienthaiduong@gmail.com
Thời gian: 8h00 - 17h00 từ thứ 2 đến thứ bảy
DANH MỤC SẢN PHẨM
Thiết Bị Đóng Cắt
Bộ Chuyển Đổi Nguồn ATS và Cầu Dao
Tụ Bù Công Suất Phản Kháng
Cuộn Kháng Lọc Sóng Hài
Bộ Điều Khiển Tụ Bù
Relay Điều Khiển - Bảo Vệ
Phụ Kiện Lắp Tủ Bảng Điện
Dây - Cáp Điện
YÊU CẦU BÁO GIÁ
Mã sản phẩm:
ABN803cGiá:
( giá trên chưa bao gồm 8% VAT )
Vui lòng liên hệ P Kinh Doanh để được hỗ trợ tốt nhất.
Lượt xem:
12991Đã bán:
1424Xuất xứ:
LS electric ( sx tại Hàn Quốc )Bảo hành:
12 Tháng ( theo quy định của nhà SX )Aptomat khối (MCCB) LS ABN803c 3P 630A 45kA, dòng METASOL
- Số cực : 3 cực
- Dòng bảo vệ định mức : 630 A
- Dòng cắt bảo vệ ngắn mạch : 45 kA
Cầu dao tự động bảo vệ quá tải và ngắn mạch dạng khối
Hàng đảm bảo chính hãng mới 100%
Bảo hành tin cậy 12 tháng theo quy định nhà sx
Tư vấn, hỗ trợ kỹ thuật sản phẩm nhiệt tình
Giao hàng linh hoạt trên toàn quốc
Nhà sản xuất: LS / Korea
Bảo hành: 12 tháng
Liên hệ P. Kinh Doanh : 0916 604 609 - 0916 804 808, Email: sale.dienthaiduong@gmail.com
MCCB ( Aptomat dạng khối ) LS là thiết bị điện được sản xuất bởi LS Electric (Hàn Quốc) chuyên dùng để đóng ngắt mạch điện bảo vệ hệ thống khỏi các sự cố quá tải, ngắn mạch và sụt áp. Thiết bị này được sử dụng rộng rãi trong các ứng dụng dân dụng và công nghiệp, đặc biệt là các hệ thống điện hạ thế.
Các Dòng Sản Phẩm Chính :
LS Electric cung cấp hai dòng sản phẩm MCCB chính, phục vụ các nhu cầu khác nhau:
MCCB LS 3P/630A/45kA – ABN803c
Thông số kỹ thuật dòng ABN803c của LS :

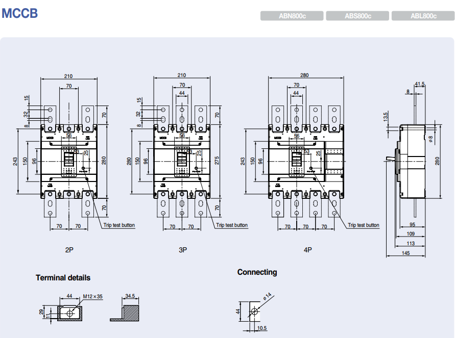
Kích thước dòng ABN803c của LS :
