
0916 804 808 - 0916 604 609
Email: sale.dienthaiduong@gmail.com
Thời gian: 8h00 - 17h00 từ thứ 2 đến thứ bảy
DANH MỤC SẢN PHẨM
Thiết Bị Đóng Cắt
Bộ Chuyển Đổi Nguồn ATS và Cầu Dao
Tụ Bù Công Suất Phản Kháng
Cuộn Kháng Lọc Sóng Hài
Bộ Điều Khiển Tụ Bù
Relay Điều Khiển - Bảo Vệ
Phụ Kiện Lắp Tủ Bảng Điện
Dây - Cáp Điện
YÊU CẦU BÁO GIÁ
Mã sản phẩm:
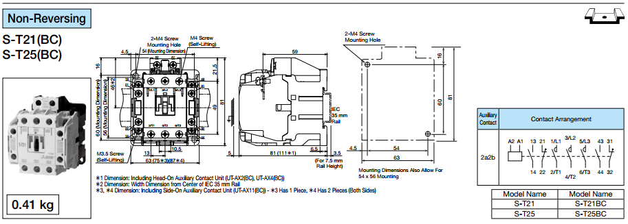
S-T25 (2a2b)Giá:
( giá trên chưa bao gồm 8% VAT )
Vui lòng liên hệ P. Kinh Doanh để được hỗ trợ tốt nhất.
Lượt xem:
8099Đã bán:
1146Xuất xứ:
MITSUBISHI electric ( sx tại Nhật Bản )Bảo hành:
12 Tháng ( theo quy định của nhà SX )Contactor (Khởi động từ) Mitsubishi S-T25 3P 30A, công suất 15kW
- Số cực : 3 cực
- Dòng điện định mức : 30A
Tiếp điểm phụ: 2NO2NC
Coil 220VAC hoặc 380VAC
Hàng đảm bảo chính hãng mới 100%
Bảo hành tin cậy 12 tháng theo quy định nhà sx
Tư vấn, hỗ trợ kỹ thuật sản phẩm nhiệt tình
Giao hàng linh hoạt trên toàn quốc
Nhà sản xuất: MITSUBISHI / JAPAN
Mã sản phẩm: S-T25
Bảo hành: 12 tháng
Liên hệ P. Kinh Doanh : 0916 804 808 - 0916 604 609, Email: sale.dienthaiduong@gmail.com
Contactor Mitsubishi Electric là thiết bị đóng cắt điện hạ thế chất lượng cao từ tập đoàn Mitsubisjhi Electric ( Nhật Bản ) được sử dụng phổ biến trong công nghiệp để đóng ngắt, điều khiển từ xa và bảo vệ quá tải cho các mạch điện động lực đặc biệt là động cơ điện. Nổi tiếng với độ bền cơ học và hiệu suất ổn định được sử dụng rộng rãi trong các hệ thống điện công nghiệp.
Dòng Sản Phẩm Chính :
Mitsubishi cung cấp nhiều dòng contactor phù hợp với các ứng dụng khác nhau, chủ yếu được phân loại theo dòng điện định mức và loại dòng điện (AC hoặc DC).
Đặc Điểm Nổi Bật và Ứng Dụng :
Contactor Mitsubishi được tin dùng nhờ nhiều ưu điểm và tính năng linh hoạt:
Mức Điện Áp Cuộn Hút Phổ Biến
Cuộn hút (coil) của contactor có nhiều mức điện áp khác nhau để phù hợp với các hệ thống điều khiển đa dạng:
Thông số kỹ thuật Contactor Mitsubishi dòng S-T :

Kích thước Contactor Mitsubishi dòng S-T25:
